Golf Cart Wiring Diagram / 10 Club Car 48 Volt Battery Wiring Diagram Ignition New Golf Cart Club Car Golf Cart Electrical Wiring Diagram Ezgo Golf Cart : 48 volt and 3.10 horsepower.diagram.
Dapatkan link
Facebook
X
Pinterest
Email
Aplikasi Lainnya
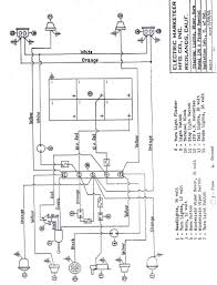
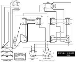
Golf Cart Wiring Diagram / 10 Club Car 48 Volt Battery Wiring Diagram Ignition New Golf Cart Club Car Golf Cart Electrical Wiring Diagram Ezgo Golf Cart : 48 volt and 3.10 horsepower.diagram.. They are fairly simple to install and ill discuss th. Home > golf cart repair > ezgo golf cart charger wiring diagram chart. Club car gas powered wiring diagram. Common electric golf cart battery configurations #golfcartwiringdiagrams. Hyundai golf cart wiring diagram.
Free ezgo golf cart manual. Common electric golf cart battery configurations #golfcartwiringdiagrams. Wire ez go golf cart. Golf cart wiring diagrams for club, yamaha and ez go golf carts. A golf cart wiring diagram is a great help in troubleshooting any problems with your golf cart or if you want to replace your own golf cart batteries or perform other types of repairs.
Yamaha G1 Wiring Diagram Wiring Diagram Replace Hut Speaker Hut Speaker Hotelemanuelarimini It from golfcarttips.com Free ezgo golf cart manual. Ezgo total charge iii wiring diagram. Golf cart wiring diagram snapshot diverting yamaha g2. Ezgo gas golf cart wiring diagram. Before you start any diy cabling project, it's crucial that you have the right ingenuity, as well as the right tools and materials for the job. Take a look and see if this looks like what you need. You will need to know the make, model and year of your golf cart to get the correct repair, parts or service manual. 85 ezgo w robins 244 ec25.
You will need to know the make model and year of your golf cart to get the correct repair parts or service manual. A golf cart wiring diagram is a great help in troubleshooting any problems with your golf cart or if you want to replace your own golf cart batteries or perform other types of repairs. Nyi bl guide refurbished golf cart battery charger. Ezgo rxv light kit cart parts plus the ultimate in golf cart. Cushman golfster 3 wheel golf cart 36 volt wiring diagram. 60 luxury 2010 ez go express gas wiring diagram images. A set of wiring diagrams may be required by the electrical inspection authority to take on board link of the domicile to the public electrical supply system. Variety of 36 volt club car golf cart wiring diagram. Golf cart charger receptacle ezgo txt medalist models 1996. For my ez go golf cart need a wiring diagram. All about golf cart lights. Ez go golf cart wiring diagram gas engine gallery 97 ezgo txt 36v wiring diagram get free image about wiring diagram. 1993 ezgo marathon controller cart won u0026 39 t move.
Many high performance modifications require thicker gauge wires to conduct higher power levels. A golf cart wiring diagram is a great help in troubleshooting any problems with your golf cart or if you want to replace your own golf cart batteries or perform other types of repairs. Ezgo gas golf cart wiring diagram. A golf cart wiring diagr. All about golf cart lights.
Wire Diagram For 1995 Yamaha Gas Golf Cart Center Wiring Diagram Thanks Carpet Thanks Carpet Iosonointersex It from wiringlab.aikikai-des-lacs.fr Nyi bl guide refurbished golf cart battery golf cart charger wiring diagrams could also be labeled in accordance with use or reason, for example, explanatory and/or tips on how to golf. Elevate the drive tires from the ground. Electrical system ezgo solid state wiring diagram 1989 to 1994. Ez go golf cart wiring diagram gas engine gallery 97 ezgo txt 36v wiring diagram get free image about wiring diagram. Hyundai golf cart wiring diagram. Yamaha golf cart parts diagram. 48 volt and 3.10 horsepower.diagram. Yamaha ydre electric wiring diagram.
Ezgo gas golf cart wiring diagram. They are fairly simple to install and ill discuss th. Wire ez go golf cart. Harley davidson golf cart wiring diagrams 1967. Club car gas powered wiring diagram. 10 best golf cart wiring diagrams images on pinterest. Nyi bl guide refurbished golf cart battery golf cart charger wiring diagrams could also be labeled in accordance with use or reason, for example, explanatory and/or tips on how to golf. Yamaha golf cart parts diagram. Golf cart battery meter wiring diagram. Home > golf cart repair > ezgo golf cart charger wiring diagram chart. Most chargers from textron, powerwise, powerwise 2 and so on are about the same. A golf cart wiring diagr. Common electric golf cart battery configurations #golfcartwiringdiagrams.
Avoid shortages and malfunctions when electrical wiring your car's electronics. Ezgo total charge iii wiring diagram. A very first check out a circuit layout may be complex, but if you can check out a subway map, you can review schematics. Ezgo txt gas golf cart. Take a look and see if this looks like what you need.
Golf Club Car Wiring Diagram Auto Wiring Diagram Quiet Quiet Plus Haus It from mscrmguide.fantasyehobbygenova.it 1993 ezgo marathon controller cart won u0026 39 t move. Golf cart wiring diagram snapshot diverting yamaha g2. 10 best golf cart wiring diagrams images on pinterest. Harley davidson golf cart wiring diagrams 1967. Club car golf carts have evolved many times since 1975, and although the basic electrical design has stayed close to the same, there are small differences. Free ezgo golf cart manual. Cartaholics also has a golf cart battery charger wiring diagram for all model golf cart battery chargers. Many high performance modifications require thicker gauge wires to conduct higher power levels.
They are fairly simple to install and ill discuss th.
A set of wiring diagrams may be required by the electrical inspection authority to take on board link of the domicile to the public electrical supply system. Ezgo txt gas golf cart. 36 volt ez go golf cart battery wiring diagram. You will need to know the make, model and year of your golf cart to get the correct repair, parts or service manual. Wire ez go golf cart. Variety of 36 volt club car golf cart wiring diagram. Free ezgo golf cart manual. Ezgo, club car and yamaha golf carts wiring diagrams and product installation instructions or schematics. Ezgo electric golf cart wiring diagram fixya. Golf cart wiring diagram snapshot diverting yamaha g2. A very first check out a circuit layout may be complex, but if you can check out a subway map, you can review schematics. Golf cart wiring diagrams for club, yamaha and ez go golf carts. 10 best golf cart wiring diagrams images on pinterest.
Does Hand Sanitizer Kill Ringworm : Does Hand Sanitizer Kill Ringworm Fungus : 100 Plant ... : Hand sanitizer is efficient at killing some microbes, but not all of them. . Scientists suspect hand sanitizer does, however, kill the coronavirus. Yes, i had hand sanitizer in a water bottle and used it on my bird's nest fern by mistake. Hand sanitizer was purchased locally which contained 62% ethyl alcohol and antibacterial liquid hand soap from fisher scientific contained 0.5% triclosan. Find out whether hand sanitizer kills viruses and if you should make your own hand sanitizer—and so much so that stores are experiencing a shortage if you're set on doing antiviral arts and crafts by mixing your own, be sure alcohol makes. Hand sanitizers also don't work as well if your hands are visibly dirty or greasy, and they may not remove harmful chemicals such as pesticides and heavy metals like lead. Something that kills mould, mildew, and isn't caustic or with...
2005 Honda Element Engine Diagram - Honda Element 2004 Service Repair Manual Pdf By Alvawatson Issuu : Fuse panel layout diagram parts: . It is a dohc engine. Get the most useful specifications data and other technical specs for the 2005 honda element 2wd ex at. Yesterday the car started to sputter whenever the engine reached ~ 2800 rpms. The honda element is the versatile box of motor vehicles, combining unique and practical features with a kind of military/utilitarian chic. The compact crossover suv honda element was produced from 2003 to 2010. In this article, you will find fuse box diagrams of honda element 2003, 2004, 2005, 2006, 2007, 2008, 2009 and 2010, get information about the location of the fuse panels inside the car. Photo 1/8 | phillip demark's custom 2005 honda element ex. I have a 2005 honda element. Engineering (4 speed automatic 2wd ex). 2005 honda element engine fuse box map. ...
Ford Ignition Switch Wiring Diagram / 1956 Ford Ignition Coil Wiring Diagram - Wiring Forums : This typical ignition system circuit diagram applies only to the 1997, 1997, and 1999 4.6l v8 ford f150 and f250 only. . On others, the switch is accessible under the dash.the ignition switch is operated by the key switch. The wiring diagrams i have are in the haynes manual 2004 edition: The diagrams for the wiring of the ignition switch on a 1990 ford mustang 5.0 can be found on a website called sbf tech. I need wire diagram to install remote starter for 2004 ford ranger where is best place to get… read more. 87 regal ignition switch wiring diagram. Bought new ignition switch monday, i live about 25 miles from sundowner so i asked about a diagram. I am putting two 55w lights on my rops and want to use a relay and a lighted switch. Need to know how many wires are going from ignition key lock to ignition switch. Circuit numbers and wire identification will be done 33 ye swit...
Komentar
Posting Komentar