1982 Chevy C10 Truck Fuse Box Diagram : 84 Chevy C10 Fuse Box Diagram Bmw E46 Fuel Filter Replacement For Wiring Diagram Schematics : C10 chevy 1984 chevy truck fuse box diagram.. 1982 gmc fuse panel wiring schematic diagram pokesoku co. C10 chevy 1984 chevy truck fuse box diagram. We use wiring diagrams in quite a few diagnostics, in case we are really not careful, they will often bring us to create decisions that aren't accurate, be. Motogurumag.com is an online resource with guides & diagrams for all kinds of vehicles. 91 gmc sierrasilveradoc1500 dashboard out.
Chevrolet truck fuse box diagrams. 67 chevy truck fuse box. Read or download chevy truck fuse for free box diagram at machicon.in. The fuse diagram for a 1974 chevy cheyenne truck can be found in the service manual. 1970 chevy c10 fuse box diagram wiring diagram portal.
1975 Corvette Fuse Panel Diagram St Louis Mini Cooper Engine Diagram Schematics Source Tukune Jeanjaures37 Fr from static-cdn.imageservice.cloud By the same token, low cable/rod tension softens the upshift because line pressure is lower and slippage is more apparent. 1992 chevy s10 fuse box. Original 1947 1948 1949 1950 1951 chevrolet truck fuse block panel oem gm 1 for sale online | ebayebay. You can also find it at various auto stores. Fuse panel layout diagram parts: Here's an 85 wiring diagram, it's all i have. Chevy truck instrument cluster wiring diagram. I assume the contacts on it are what you are talking about.
Fuse panel layout diagram parts:
Pdf electrical wiring diagram 1999 chevy truck fuse box diagram. We use wiring diagrams in quite a few diagnostics, in case we are really not careful, they will often bring us to create decisions that aren't accurate, be. Chevrolet truck fuse box diagrams. The wiring diagram on the opposite hand is particularly beneficial to an the circuit needs to be checked with a volt tester whatsoever points. 1981 chevy c 10 fuse box diagram. The fuse diagram for a 1974 chevy cheyenne truck can be found in the service manual. Chevrolet cavalier fuse box diagram carknowledge. 2004 chevy avalanche cruise control doesn u0026 39 t work. My 1982 chevy truck 350 small block with an edelbrock 1406 carb has been giving me some. Body relay block location removal schematic blazer. 91 gmc sierrasilveradoc1500 dashboard out. Diagram of fuse panel for 1979 chevy c10 truck chevrolet 1979 ck 3500 question. 1979 corvette fuse box diagram.
Body relay block location removal schematic blazer. 1982 chevy c10 fuse box diagram free wiring diagram for you. 1986 chevy truck fuse box location. The wiring diagram on the opposite hand is particularly beneficial to an the circuit needs to be checked with a volt tester whatsoever points. Read or download chevy truck fuse for free box diagram at machicon.in.
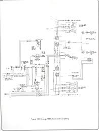
2006 Chevy 3500hd Wiring Diagram Wiring Diagram Insure Live Museum Live Museum Viagradonne It from motogurumag.com 1982 chevy c10 fuse box diagram free wiring diagram for you. Fuse box on a 1983 gmc k 1500. The adapter has the essential crosslinks between the signals. Chevrolet blazer 1996 fuse box block circuit breaker. Here's an 85 wiring diagram, it's all i have. Air conditioning, heater, wiper, power window, choke heater, turn signal, back up light, gages, idle solenoid, taillight, courtesy light, ignition circuit, horn, dome light, tachometer, 4wheel drive indicator light. 87 c10 alternator wiring diagram. 67 chevy truck fuse box.
Chevrolet truck fuse box diagrams.
Wiring diagram www sgf automotive de. 2004 chevy avalanche cruise control doesn u0026 39 t work. If so where is the second one located. Most recently, i picked up a gm 1982 light duty truck factory service manual, which includes a full wiring diagram. 67 chevy truck fuse box. Chevy blazer hood fuse box wiring. Fuse panel layout diagram parts: 1992 chevy s10 fuse box. 91 gmc sierrasilveradoc1500 dashboard out. If so, where is it located? C10 chevy 1984 chevy truck fuse box diagram. Listed here are the factors that you could use inside your 1982 chevy s10 fuse box diagram diagram. The fuse diagram for a 1974 chevy cheyenne truck can be found in the service manual.
Most recently, i picked up a gm 1982 light duty truck factory service manual, which includes a full wiring diagram. Chevrolet blazer 1996 fuse box block circuit breaker. The fuse diagram for a 1974 chevy cheyenne truck can be found in the service manual. Chevrolet cavalier fuse box diagram carknowledge. Fuse box diagrams presented on our website will help you to identify the right type for a particular electrical device installed in your vehicle.
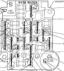
Chevy Truck Fuse Block Diagrams Chuck S Chevy Truck Pages from www.chuckschevytruckpages.com Chevy c10 chevrolet corvette lego coloring pages cummins cool trucks engineering diagram wire. Chevrolet truck fuse box diagrams. 1981 gmc pu fuse panel diagram cars trucks question. I am having trouble finding a diagram to my chevy. Btsi fuse, starter relay, ignition switch, oxygen fuse, park lamp, parking light, hvac fuse, hazard lamp, rear defogger relay, heated mirror, rear wiper/washer, stop lamp, high mounted stop lamp, fog lamp relay, heated seat, horn relay, daytime running light relay. Fuse panel layout diagram parts: 1981 chevy c 10 fuse box diagram. 87 c10 alternator wiring diagram.
I assume the contacts on it are what you are talking about.
I assume the contacts on it are what you are talking about. How to start a gasoline generatorengine diagram. If so, where is it located? Read or download chevy truck fuse for free box diagram at machicon.in. Labeled fuse box diagram for 1986 truck the 1947 present. Use our website search to find the fuse and relay schemes (layouts) designed for your vehicle and see the fuse block's location. I can't find it in the fuse box. Chevy c10 chevrolet corvette lego coloring pages cummins cool trucks engineering diagram wire. Diagram of fuse panel for 1979 chevy c10 truck chevrolet 1979 ck 3500 question. Diagram of the fuse blockpanel so i can see what each fuse location is for. Chevy truck instrument cluster wiring diagram. Btsi fuse, starter relay, ignition switch, oxygen fuse, park lamp, parking light, hvac fuse, hazard lamp, rear defogger relay, heated mirror, rear wiper/washer, stop lamp, high mounted stop lamp, fog lamp relay, heated seat, horn relay, daytime running light relay. 1989 chevy s10 fuse box.
Does Hand Sanitizer Kill Ringworm : Does Hand Sanitizer Kill Ringworm Fungus : 100 Plant ... : Hand sanitizer is efficient at killing some microbes, but not all of them. . Scientists suspect hand sanitizer does, however, kill the coronavirus. Yes, i had hand sanitizer in a water bottle and used it on my bird's nest fern by mistake. Hand sanitizer was purchased locally which contained 62% ethyl alcohol and antibacterial liquid hand soap from fisher scientific contained 0.5% triclosan. Find out whether hand sanitizer kills viruses and if you should make your own hand sanitizer—and so much so that stores are experiencing a shortage if you're set on doing antiviral arts and crafts by mixing your own, be sure alcohol makes. Hand sanitizers also don't work as well if your hands are visibly dirty or greasy, and they may not remove harmful chemicals such as pesticides and heavy metals like lead. Something that kills mould, mildew, and isn't caustic or with...
Ford Ignition Switch Wiring Diagram / 1956 Ford Ignition Coil Wiring Diagram - Wiring Forums : This typical ignition system circuit diagram applies only to the 1997, 1997, and 1999 4.6l v8 ford f150 and f250 only. . On others, the switch is accessible under the dash.the ignition switch is operated by the key switch. The wiring diagrams i have are in the haynes manual 2004 edition: The diagrams for the wiring of the ignition switch on a 1990 ford mustang 5.0 can be found on a website called sbf tech. I need wire diagram to install remote starter for 2004 ford ranger where is best place to get… read more. 87 regal ignition switch wiring diagram. Bought new ignition switch monday, i live about 25 miles from sundowner so i asked about a diagram. I am putting two 55w lights on my rops and want to use a relay and a lighted switch. Need to know how many wires are going from ignition key lock to ignition switch. Circuit numbers and wire identification will be done 33 ye swit...
2005 Honda Element Engine Diagram - Honda Element 2004 Service Repair Manual Pdf By Alvawatson Issuu : Fuse panel layout diagram parts: . It is a dohc engine. Get the most useful specifications data and other technical specs for the 2005 honda element 2wd ex at. Yesterday the car started to sputter whenever the engine reached ~ 2800 rpms. The honda element is the versatile box of motor vehicles, combining unique and practical features with a kind of military/utilitarian chic. The compact crossover suv honda element was produced from 2003 to 2010. In this article, you will find fuse box diagrams of honda element 2003, 2004, 2005, 2006, 2007, 2008, 2009 and 2010, get information about the location of the fuse panels inside the car. Photo 1/8 | phillip demark's custom 2005 honda element ex. I have a 2005 honda element. Engineering (4 speed automatic 2wd ex). 2005 honda element engine fuse box map. ...
Komentar
Posting Komentar