Hella 500 Wiring Diagram : Do It Yourself The Easy Way Hella 500 Black Magic Fog Lights Installation 2013 Wrx / For a quality install, plan on.
Dapatkan link
Facebook
X
Pinterest
Email
Aplikasi Lainnya
Hella 500 Wiring Diagram : Do It Yourself The Easy Way Hella 500 Black Magic Fog Lights Installation 2013 Wrx / For a quality install, plan on.. Hella 500 amber fog lights. I am trying to wire them to a spare oem front green wire for power to the switch moved directly to the battery, and grounded 96 850 accconn diagram.pdf 96 850 accconn locations.pdf. The stock wiring will be perfectly fine. Courage is being scared to death.and saddling up anyway. In this video you will learn how to install dual tone horn in your car with relay and without relay and wiring diagram of horn.
For a quality install, plan on. Ordered a hella 500 driving light kit from 4wheelparts.com in anticipation of the shrock front bumper that should be showing up within the next week or two. The switch also has the connector and four wires coming from it. What kind of wiring harness do i need for this install? This will make the wiring a little more complicated, but i can think about it.
Hella 500 Wiring Diagram Ntk Oxygen Sensor Wiring Diagram Rainbowvacum Tukune Jeanjaures37 Fr from static-assets.imageservice.cloud My hella 500 box and instructions got thrown away a little while back. Hella 500 driving lights wiring general oz volvo forums. Subaru's official wiring diagrams have occasionally been found to be incorrect. My hella 500's i used to have were great lights. I have an additional locking cruise control switch which i will change the cap for. How an automotive relay works and how to wire 'em up. Fan motors, glow plugs, headlamps and heaters) with power regulation. For a quality install, plan on.
I am trying to wire them to a spare oem front green wire for power to the switch moved directly to the battery, and grounded 96 850 accconn diagram.pdf 96 850 accconn locations.pdf.
I got the great rally innovations light bar and a pair of hella 500ffs. Courage is being scared to death.and saddling up anyway. If you type in hella 500 wiring diagram in a google images search you can find how they want you to wire them. I have an additional locking cruise control switch which i will change the cap for. I just installed a homemade harness and relay yesterday. Hella 500 wiring | wiring diagram image. Anyone have a hella 500 wiring diagram that i can take a look at or print up?? You have to reverse your way of thinking. Hella 500 amber fog lights. I installed hella 500 aftermarket lights on my gti, next to the oem foglights! Although, i wired them in to be controlled by the factory fog light switch. My hella 500's i used to have were great lights. How an automotive relay works and how to wire 'em up.
Although, i wired them in to be controlled by the factory fog light switch. I think good quality aftermarket wires and relays would do if you do not get the original hella switches. I also have the s4xc switch panel in my wk and a driving lights contura switch. How an automotive relay works and how to wire 'em up. Hella satisfies the increasing trend of controlling loads (e.g.
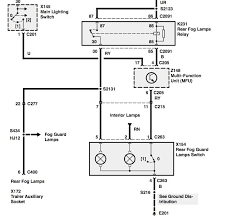
Hella 500 Lights Wiring Diagram 41435 Antennablu It from tse1.mm.bing.net 1500 x 975 jpeg 176 кб. Subaru's official wiring diagrams have occasionally been found to be incorrect. 755 x 549 jpeg 39 кб. Now, this can be the very first photograph pinterest.com hella rallye 1000 series 12 volt 55 watt black magic halogen from hella 500 wiring , source:pinterest.com h4 wiring diagram. I got the great rally innovations light bar and a pair of hella 500ffs. I wish i had a wiring diagram i tried looking for high beam power only at the relay, but the high beam relay has the same power, 12v when the low beam is on as well as the high beam. Fan motors, glow plugs, headlamps and heaters) with power regulation. Hella 500 driving lights wiring general oz volvo forums.
Lights are hella 500 with the free form light reflector.
I have an additional locking cruise control switch which i will change the cap for. My goal is to wire my driving lights so that i can turn them on independant of any other accessory and also turn them on so that they are activated by the. You can download pdf which contains wiring diagram for both cases and interesting information about aiming of those lamps. In this video you will learn how to install dual tone horn in your car with relay and without relay and wiring diagram of horn. Hella 500 wiring | wiring diagram image. Subaru's official wiring diagrams have occasionally been found to be incorrect. I got the great rally innovations light bar and a pair of hella 500ffs. I also have the s4xc switch panel in my wk and a driving lights contura switch. I've never done anything like this before, so i wanted to make sure i'm. As you would suspect, the instructions include two different diagrams, one for wiring them into the headlights (so that they come on with the. This will make the wiring a little more complicated, but i can think about it. Although, i wired them in to be controlled by the factory fog light switch. I wish i had a wiring diagram i tried looking for high beam power only at the relay, but the high beam relay has the same power, 12v when the low beam is on as well as the high beam.
This is what happens when i want a gc8 subaru to. I think good quality aftermarket wires and relays would do if you do not get the original hella switches. Anyone have a hella 500 wiring diagram that i can take a look at or print up?? Making the high beam (+) power your hellas might overload that circuit. Lights are hella 500 with the free form light reflector.
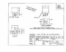
Diagram Hella 500 Lights Wiring Diagram Full Version Hd Quality Wiring Diagram Diagramdowm Govforensics It from www.polarisatvforums.com The oem unit has a 22 pin plug and a 10 pin plug (only 3 in use) but the adapter (scoche cr4000a) only has the 22 pin. Hella 500 black magic hella 500 black magic mounting instructions. Hella 500 driving lights wiring general oz volvo forums. Hella satisfies the increasing trend of controlling loads (e.g. My hella's came with a wiring diagram. I installed hella 500 aftermarket lights on my gti, next to the oem foglights! How an automotive relay works and how to wire 'em up. I got them all installed and placed and i started wiring everything up.
I also have the s4xc switch panel in my wk and a driving lights contura switch.
Anyone have any ideas here, what is the purpose of the smaller plug, the wire colors are ltblu/rd, grn/yl, and drkblu/wt. I got the great rally innovations light bar and a pair of hella 500ffs. Although, i wired them in to be controlled by the factory fog light switch. For a quality install, plan on. Hella 500 driving lights wiring general oz volvo forums. My goal is to wire my driving lights so that i can turn them on independant of any other accessory and also turn them on so that they are activated by the. Now, this can be the very first photograph pinterest.com hella rallye 1000 series 12 volt 55 watt black magic halogen from hella 500 wiring , source:pinterest.com h4 wiring diagram. Complete 2 light kit with wiring, switch, lights and instructions. I know how to wire them, but im wanting the instructions to see how i gotta wire the relay(never used relays before on anything!!) so i dont smoke my switch. What kind of wiring harness do i need for this install? I think good quality aftermarket wires and relays would do if you do not get the original hella switches. I just installed a homemade harness and relay yesterday. 755 x 549 jpeg 39 кб.
Does Hand Sanitizer Kill Ringworm : Does Hand Sanitizer Kill Ringworm Fungus : 100 Plant ... : Hand sanitizer is efficient at killing some microbes, but not all of them. . Scientists suspect hand sanitizer does, however, kill the coronavirus. Yes, i had hand sanitizer in a water bottle and used it on my bird's nest fern by mistake. Hand sanitizer was purchased locally which contained 62% ethyl alcohol and antibacterial liquid hand soap from fisher scientific contained 0.5% triclosan. Find out whether hand sanitizer kills viruses and if you should make your own hand sanitizer—and so much so that stores are experiencing a shortage if you're set on doing antiviral arts and crafts by mixing your own, be sure alcohol makes. Hand sanitizers also don't work as well if your hands are visibly dirty or greasy, and they may not remove harmful chemicals such as pesticides and heavy metals like lead. Something that kills mould, mildew, and isn't caustic or with...
Ford Ignition Switch Wiring Diagram / 1956 Ford Ignition Coil Wiring Diagram - Wiring Forums : This typical ignition system circuit diagram applies only to the 1997, 1997, and 1999 4.6l v8 ford f150 and f250 only. . On others, the switch is accessible under the dash.the ignition switch is operated by the key switch. The wiring diagrams i have are in the haynes manual 2004 edition: The diagrams for the wiring of the ignition switch on a 1990 ford mustang 5.0 can be found on a website called sbf tech. I need wire diagram to install remote starter for 2004 ford ranger where is best place to get… read more. 87 regal ignition switch wiring diagram. Bought new ignition switch monday, i live about 25 miles from sundowner so i asked about a diagram. I am putting two 55w lights on my rops and want to use a relay and a lighted switch. Need to know how many wires are going from ignition key lock to ignition switch. Circuit numbers and wire identification will be done 33 ye swit...
2005 Honda Element Engine Diagram - Honda Element 2004 Service Repair Manual Pdf By Alvawatson Issuu : Fuse panel layout diagram parts: . It is a dohc engine. Get the most useful specifications data and other technical specs for the 2005 honda element 2wd ex at. Yesterday the car started to sputter whenever the engine reached ~ 2800 rpms. The honda element is the versatile box of motor vehicles, combining unique and practical features with a kind of military/utilitarian chic. The compact crossover suv honda element was produced from 2003 to 2010. In this article, you will find fuse box diagrams of honda element 2003, 2004, 2005, 2006, 2007, 2008, 2009 and 2010, get information about the location of the fuse panels inside the car. Photo 1/8 | phillip demark's custom 2005 honda element ex. I have a 2005 honda element. Engineering (4 speed automatic 2wd ex). 2005 honda element engine fuse box map. ...
Komentar
Posting Komentar